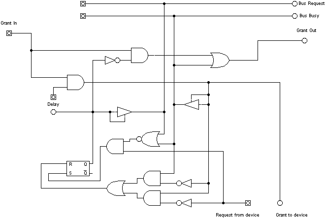
Decentralized Bus Arbitration
This is a possible circuit for decentralized bus arbitration.
-
This is a diagram created with a freeware program named Digital Works. The
small circles are output indicators, the small squares with circles in them
are input indicators. It is possible to run this circuit inside Digital Works
by setting values on the input indicators and then seeing the output indictors
light up (they represent LEDs).
-
The device will set the Request From Device input. The device will
determine that it needs the device. It asserts the line when it wants the
bus and leaves it asserted until it is finished with the bus.
-
The S-R latch is a 1-bit memory that indicates that this device has made
a request for the bus. The only way this memory can be set is if the Bus
Request and Bus Busy lines are both negated, and the Request
From Device line is asserted.
-
The delay makes the device wait to see if a higher priority device has made
a simultaneous request for the bus. If after the delay, Grant In is
still asserted, then this device sets the Bus Busy line and asserts
the Grant To Device line. In the diagram it is represented as an output
circle and then an input square. This allows me to interact with the circuit
and to implement the delay myself when I simulate the circuit. In the actual
circuit this would be a circuit that causes a specific delay.
-
Whenever the Bus Busy line is asserted by any device, it forces the
device to assert the Grant Out line. This allows devices to get ready
for the next bus cycle, when Bus Busy is negated. When Bus Busy
is asserted, it prevents the S-R latch from being set.
-
Whenever the Bus Request line is asserted, it prevents the S-R latch
from being set.
-
The Bus Busy and Bus Request have an output circle and an input
square. Again, this is for the simulation. In the actual circuit, these would
just be wired to other devices.
-
The tri-state buffers in the diagram make sure that the line can only flow
in one direction. This is necessary to distinguish between a Bus Request
or Bus Busy by another device and a Bus Request or Bus
Busy for this device.
-
The S-R latch is reset under two possible conditions
-
Another device has asserted Bus Busy.
-
This device asserted Bus Busy, and Request From Device has
been negated. When the device finishes with the bus, it deasserts Request
From Device.